이번에는 spot analyzer에 대해 소개하려고 합니다. 저희가 국가R&D과제로 대물렌즈를 개발하고 있는데, 대물렌즈 평가장비로 spot analyzer를 만들었습니다. Spot analyzer는 대물렌즈에 의해 형성된 spot의 형태를 관찰하여 수차 분석을 하는 것입니다.
과거의 일입니다만, 광저장장치인 CD, DVD용 광픽업을 만들 때 이런 장치를 사용했습니다. 제가 대우전자에 있을 때는 검토만 하고 구매를 하지 못했는데, 삼성전기로 옮겼더니 그 값비싸고 육중한 장비가 생산 장비로 많이도 있었죠.
광픽업의 대물렌즈가 틀어져서 코마 수차를 발생하지 않도록 각도를 조정하고 고정하는 장치입니다. 그래서 spot skew라는 이름이 더 적절하다고 할 수 있습니다. 예로 DVD의 spot size는 1um이하이니까 이 것을 예로 1,000배 정도 확대해서 관찰합니다. 배율이 높기 때문에 진동에 민감해서 진동을 억제하기 위해 무겁게 만들고 공기를 이용한 제진기능이 있어서 크기가 커지게 됩니다. 나중에는 장비를 국산화 하면서 훨씬 작아지긴 했습니다. 제가 마지막으로 광픽업을 개발했던 LG전자에서 생산할 때는 이런 장비를 사용했지요.
코마외에도 구면수차와 비점수차를 해석해서 보여주었는데, 사실 믿을 만한 데이타는 아닙니다. Spot 의 형태로 유추하는 것이기 때문에 한계가 있었죠. 수차의 종류를 정확하게 관찰하려면 간섭계를 이용해야 하는데, 일반적인 간섭계를 설치하는 것은 참 난감한 일입니다. 하지만, Shack-Hartmann wavefront sensor를 이용해서 간결한 구조를 만들 수 있습니다. 정확도는 떨어지지만 실질적으로는 매우 잘 사용할 수 있는 간섭계입니다.
그럼에도 아직까지 이렇게 적용한 적은 없어서 만들면서 걱정을 하긴 했습니다.


장비를 setup하고 저희가 개발한 대물렌즈의 수차를 측정했는데, 엉망이었습니다. -.- 충분히 예측하던 부분인데 편심을 맞추지 못했기 때문입니다. 올 해 들어오는 편심측정기를 잘 활용해서 만들면 잘 나오리라 예상합니다.
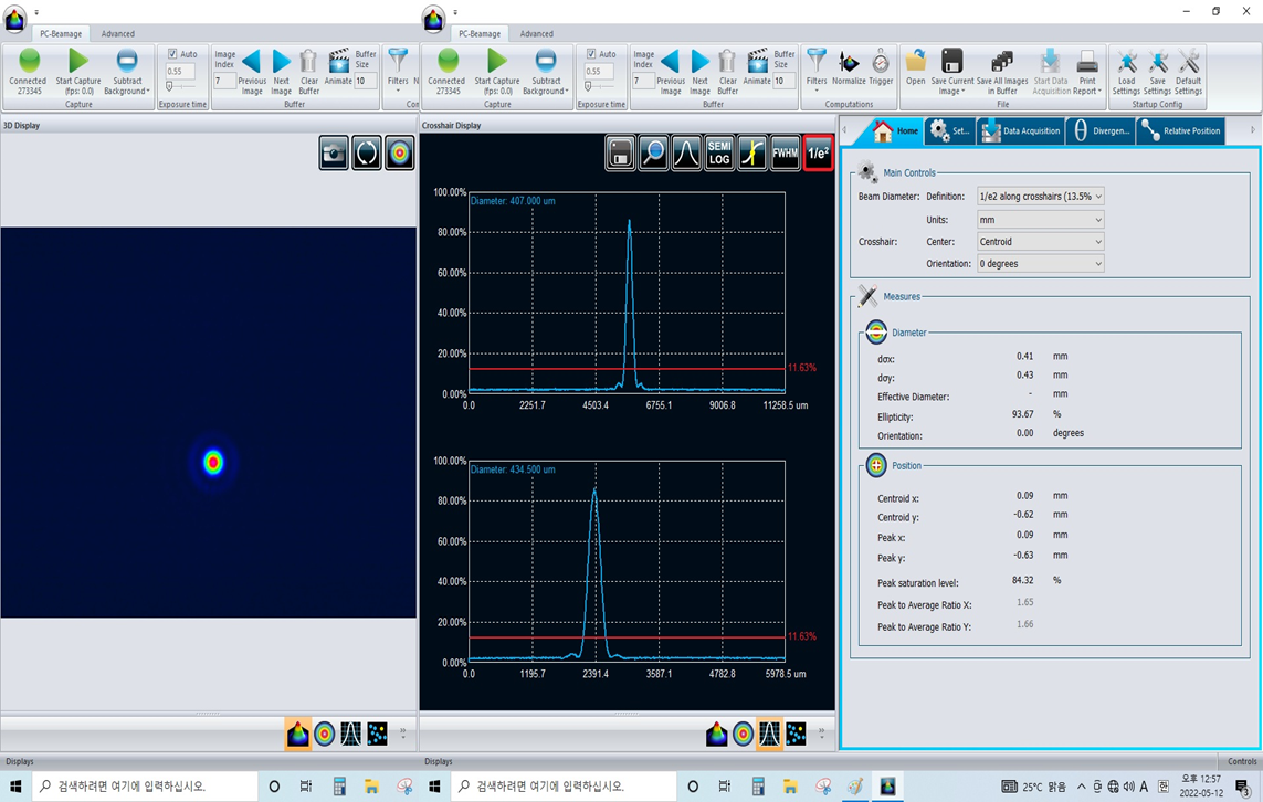
아래 그림은 Nikon 대물렌즈를 측정한 것인데 참 잘 만든 것을 알 수 있습니다.


대물렌즈가 잘 만들어졌는지를 평가하는 것은 참 어려운 일입니다. 특히 사용 파장이 가시광이 아닌 경우는 더 큰 어려움이 있는데요. 이 측정장비가 아주 훌륭한 역할을 해 줄 것으로 믿습니다.
'Optics' 카테고리의 다른 글
| Optical slit(내용 수정) (0) | 2022.08.05 |
|---|---|
| Pentaprism (0) | 2022.07.15 |
| 광섬유 (0) | 2020.10.21 |
| Cosine 4th rule (0) | 2020.04.18 |
| 회절한계 MTF와 FNO (0) | 2019.01.26 |